廠家熱線:13803887028
售后熱線:0379-64327397

瀏覽次數:3247次
所屬分類:分布式電驅動礦用車
電動壓路機驅動控制系統采用交-直-交傳動方式,以柴油發動機作為原動機,由主發電機將發動機的機械能轉化為電能。牽引變流柜將主發電機發出的電壓和頻率固定的三相交流電轉化為直流電,并由牽引逆變器將直流電轉化為電壓和頻率可控的交流電來驅動輪轂牽引電機,輪轂牽引電機帶動車輪實現推進功能。
發布日期:2022-06-28 17:13:41
電動壓路機驅動控制系統采用交-直-交傳動方式,以柴油發動機作為原動機,由主發電機將發動機的機械能轉化為電能。牽引變流柜將主發電機發出的電壓和頻率固定的三相交流電轉化為直流電,并由牽引逆變器將直流電轉化為電壓和頻率可控的交流電來驅動輪轂牽引電機,輪轂牽引電機帶動車輪實現推進功能。當牽引變流柜工作在制動狀態時,制動能量可通過牽引逆變器的制動控制,將其回饋到直流母線上給電池充電,如果不配置電池則通過斬波控制將制動能量消耗在制動電阻柵上,實現無摩擦制動方式。采用PLC邏輯控制,可實現壓路機牽引、制動的無調速和定速巡航功能。
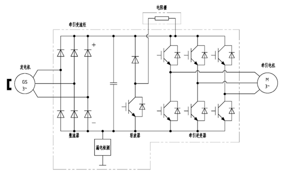
輪胎壓路機的電傳動系統由電力推進系統、24V電氣系統(硬件)、以及電控系統(軟件)組成。電力驅動系統主要功能是能量傳遞,將柴油發動機的機械能轉化為電能驅動輪轂驅動電機,輪轂牽引電機把電能轉化為機械能驅動車輪實現行走。電力驅動系統包括永磁同步發電機、牽引變流柜、外轉子輪轂牽引電機、制動電阻柵等,系統的額定電壓采用480VAC,原理圖如圖1所示
圖1 電力推進系統原理圖
主發電機為永磁同步發電機,其技術參數可根據用戶要求定制:
額定功率: 100- 300kW
額定轉速: 2200r/min
額定電壓: 480VAC
額定頻率: 300Hz
數: 12
冷卻方式: 水冷(≤145℃)
緣等: F
防護等: IP54
工作制式: S1
發電機控制器采用三相IGBT電路,將主發電機輸出的三相交流電轉化為電壓電流可調的直流電,輸送到斬波器和牽引逆變器。
牽引逆變器為電傳動系統的技術核心所在,包括ICU(逆變控制單元)、FC(濾波電容器)、傳感器、逆變器功率模塊。牽引逆變器將直流電轉化為電壓和頻率可控的三相交流電,按控制所期望的轉矩和轉速來調節輸出的電壓和電流波形,完成主電路和牽引電機之間的能量傳輸,實現壓路機推進和電制動的連續控制。壓路機在電制動時,牽引逆變器通過控制,使牽引電機工作在發電機模式,將制動能量轉化為電能并回饋到直流母線上。
斬波器由IGBT和功率二管橋式電路組成,實現穩定母線電壓,消耗制動能量的控制功能。系統對直流母線電壓進行監測,如果母線電壓高于660VDC的設定值,斬波器投入工作,將制動能量輸送到電阻柵,并由電阻柵把制動能量消耗盡。
吸收電容用以消除由于母排的雜散電感引起的尖峰電壓,保證直流電壓的品質。保護電路主要有直流母線正負對地漏電檢測保護電路、緊急放電電路、直流母線帶電指示電路。
圖2 牽引變流裝置三維圖
牽引變流裝置技術參數如下:
輸入電壓: 480VAC
額定功率: 100-300kW
斬波電壓: 660VDC
斬波功率: 100-300kW
輸出電壓: 0~480VAC
工作頻率: 1~300Hz
冷卻方式: 水冷(≤80℃)
防護等: IP65
圖3 電驅系統電阻柵尺寸及溫升曲線
電阻柵技術參數如下:
斬波電壓: 660VDC
額定功率: 20-200kW(詳見制動功率計算)
阻值(20℃): 8.7Ω±5%
緣電阻: ≤10MΩ
工頻耐壓: 2500VAC 1min不擊穿
電阻溫度: 不允許超過500℃
額定功率: 10-28kW
額定電壓: 480VAC
額定轉速: 200r/min
峰值轉速: 900r/min
過載能力: 2.5倍
冷卻方式: 水冷(≤145℃)
防護等: IP54
工作制式: S1
主要點如下:
16bit,40MHZ處理器;
2路CAN接口,1路RS232接口;
集成功率輸出供電管理,對輸出功能起到保護作用;
帶主板溫度檢測,可對PLC的運行提供參數及保護;
帶主板電壓檢測,可實時掌握PLC的電源運行情況;
集成鑰匙開關和保持開關,可對PLC的上電、斷電進行軟件控制;
帶輸出故障檢測,可在任意時刻監測PLC的輸出管腳是否正常;
可讀取用戶編碼,對用戶的程序及參數提供保護;
具有上電冷態檢測功能,可檢測PLC每個輸出管腳是否開路或短路(大于8A,帶FB功能管腳除外);
高防護等IP67;連接器鍍金接觸、密封良好;
個8針AMP接插件和三個23針AMP接插件。
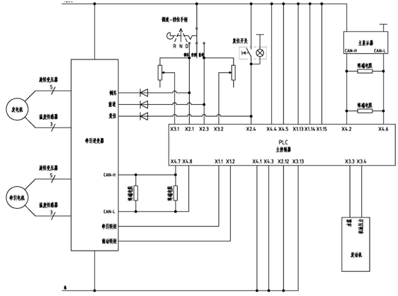
圖4 電控系統原理圖
圖5 PLC
操縱桿集成調速信號和換檔信號,減少操作復雜性,節省安裝空間;
操縱桿金屬結構安可靠,系統按IP65 等設計,防塵防水方面表現突出;
操縱桿配備模塊化電路輸出,性價比高;
操縱桿人性化設計,手柄握持感強,操作方便;
操縱桿帶中心零位鎖定,防止誤操作;
操縱桿采用摩擦定位,手動復位,便于實現定速巡航控制。
圖6 集調速和換檔功能為體的操縱桿
圖7 HMI
操作系統: WINCE組態軟件
顯示尺寸: 7 寸真彩TFT(152.0W×91.0Hcm)
分辨率: 800×480
通訊口: COM1:RS232/RS422/RS485/CAN,COM2:RS232C/RS485
工作溫度: -10~60℃
工作濕度: 10~90%RH(無冷凝)
防震度: 10 ~25 Hz(X、Y、Z 方向2G/30min)
防護等: IP65(面板)
主控制程序的功能為,裝載控制軟件程序,實時檢測輸入口的指令信號,在滿足功能條件后,啟動相應功能模塊的控制程序,通過邏輯運算輸出信號控制執行元件工作,實現推進、電制動、狀態顯示等功能。PLC的數據顯示功能模塊接收牽引變流柜和發動機的數據進行分析處理,并傳輸到顯示器進行顯示,故障信息可進行聲光報警,以提示駕駛人員。
服務宗旨:“以質量求生存,以服務贏市場”,如果您對我們的產品感興趣,歡迎咨詢!
*請認真填寫需求信息,我們會在24小時內與您聯系
聯系人:張經理 潘經理
手機:13803887028 13938842660
公司地址:河南省洛陽市高新區軸承產業集聚區
郵箱:henengdq@126.com
全國咨詢熱線
13803887028 0379-64327397